Loại sản phẩm: Trần nhôm
Hãng sản xuất: Alcorest
Tình trạng: Hết hàng
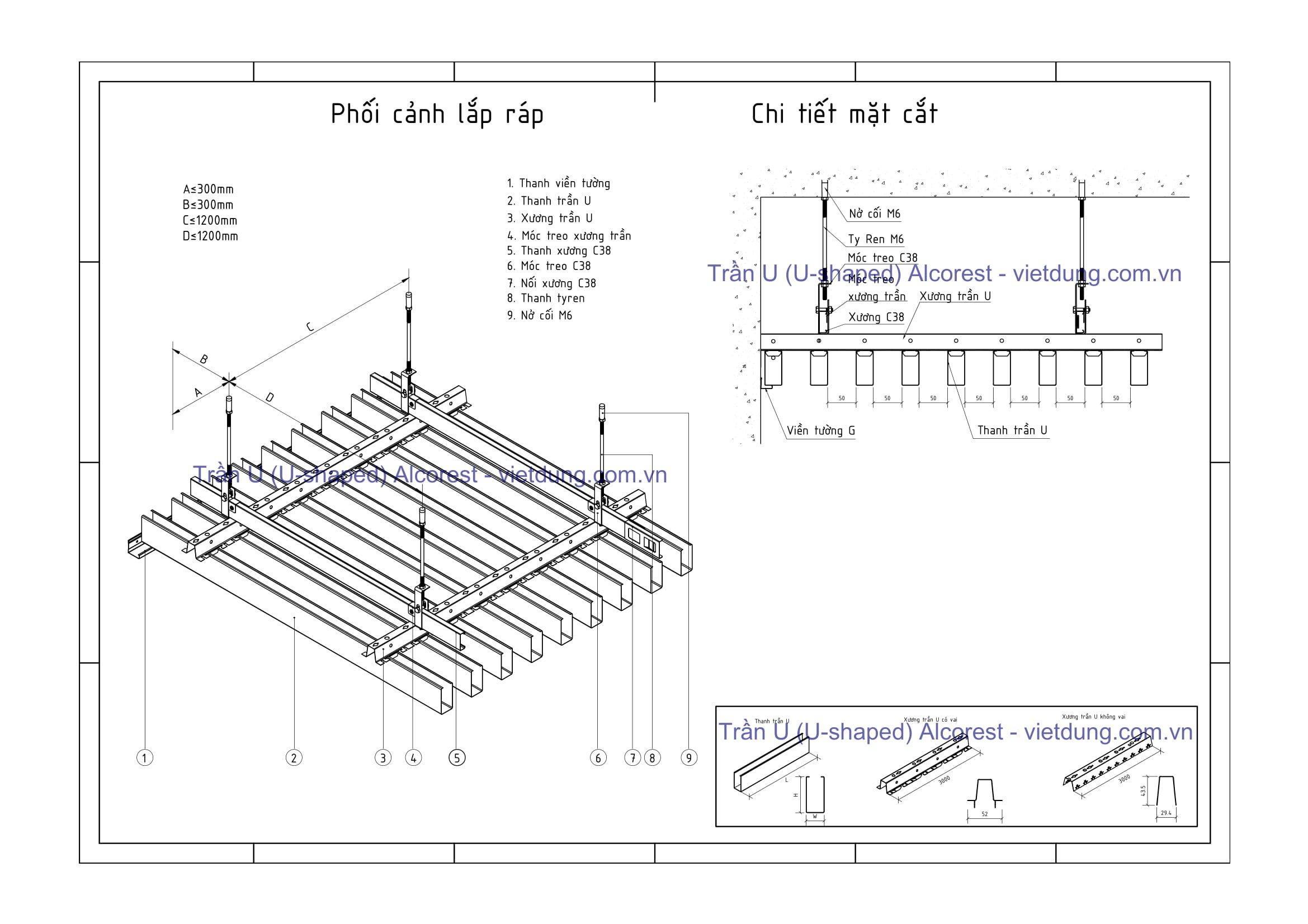
Hệ thống trần U là hệ thống trần nhôm thoáng bao gồm các thanh trần nhôm đặt song song và cách nhau một khoảng cách phù hợp tạo nên sự thông thoáng, thanh thoát cho mặt trần. Thích hợp sử dụng ở hành lang, siêu thị hay những diện tích có chiều dài lớn.
| Sản phẩm | Vật liệu | Độ dày (mm) | Kích thước (mm) |
| Thanh trần U | Nhôm | 0.5, 0.6 |
30x60 (80, 100) (Khoảng cách tim đến tim là 80, 90, 100 mm) |
| Viền tường G | Nhôm | 0.5 | 30x28x3000 |
| Xương trần U | Tôn mạ kẽm | 0.45 | 3000 |
| Móc treo trần U | Tôn mạ kẽm | 0.6 | 15x75 |
| Xương C38 | Tôn mạ kẽm | 0.5 | 13x38x3000 |
| Móc treo C38 | Tôn mạ kẽm | 1.4 | 18x90 |
